(一) 冷干機作用
由空壓機出來的壓縮空氣,首先在換熱器中與干燥過的低溫壓縮空氣進行熱交換,降低溫度,然后進入蒸發器被進一步降溫至2℃左右,在此露點,壓縮空氣中的大部分水已成液態被排出,將含水量極少的壓縮空氣進入吸附塔內,進一步干燥除水,最后低溫的干燥壓縮空氣進入換熱器,冷卻高溫濕空氣,同時本身溫度也升高,可防止壓縮空氣輸送管路外壁結露,經升溫后的壓縮空氣中取一小部分用作吸附劑的再生,提高再生效率,降低能耗。
利用冷媒與壓縮空氣進行熱交換,把壓縮空氣溫度降到2~10℃范圍的露點溫度,使壓縮空氣中含水量趨于超飽和的狀態,從而除去壓縮空氣中的水分(水蒸氣成分)。
當壓縮空氣的壓力高、溫度低、環境溫度低、且處理空氣量小時,則可得到低壓力露點。 大氣壓露點只能達到-17℃。
(二) 冷干機的組成:
為了實現壓縮空氣干燥的目的,又體現節能的目標,一臺標準的冷干機應包括以下部件,具體為:
1)冷卻降溫部分:包括換熱器(空氣與空氣的熱交換器)、蒸發器(空氣與制冷劑液體的熱交換器);
2)氣水分離與排放部分:包括氣水分離器、自動排水器;
3)制冷部分:包括制冷壓縮機、冷凝器、蒸發器、膨脹閥、氟路電磁閥、壓力開關、壓力控制器(水量調節閥)、貯液罐、過濾干燥器、截止閥等;
4)電氣部分:包括啟停開關、接觸器、繼電器、PC電腦板等;
5)儀表部分:包括進出口空氣壓力表、制冷劑高、低壓力表等。
(三) 各主要部件的工作原理及作用:
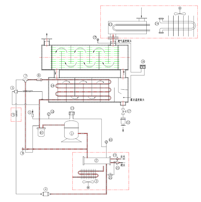
1、制冷壓縮機 9、能量調節閥 17、排水防堵過濾器
2、冷凝器(水冷) 10、汽化器 18、冷媒高壓表
3、冷凝器(風冷) 11、充灌閥 19、水量調節閥
4、熱力膨脹閥 12、冷媒低壓表 20、水質過濾器
5、毛細管(10m3以下用) 13、高低壓開關 21、手閥
6、干燥過濾器 14、蒸發器總成 22、自動排水器
7、氣液混合器 15、空氣壓力表 23、前置預冷器(高溫水冷型冷干機用)
8、分液器 16、溫控數字顯示儀(10m3以上用) 24、前置預冷器(高溫風冷型冷干機用)
1、換熱器:絕大多數冷干機具有換熱器,換熱器是一種空氣與空氣進行熱交換的換熱器,一般為列管式換熱器。換熱器在冷干機里的主要作用是“回收”被蒸發器冷卻后壓縮空氣所攜帶的冷量,并用這部分冷量來冷卻攜帶大量水蒸氣的較高溫度的壓縮空氣(即從空壓機排出,經過空壓機自帶的后部冷卻器冷卻、再經過氣水分離的溫度一般在40℃以上的飽和壓縮空氣),從而減輕了冷干機制冷系統的熱負荷,達到節約能源的目的。另一方面,低溫壓縮空氣在換熱器里溫度得到回升,使輸送壓縮空氣的管道外壁不致因溫度低于環境溫度而出現的“結露”現象。此外,壓縮空氣溫度升高后,降低了干燥后壓縮空氣的相對濕度(一般小于20%),對防止金屬的銹蝕有利。有些用戶(如與空分設備配套)需要含水量低而且溫度也低的壓縮空氣,這時冷干機就不再設置換熱器了。由于不設置換熱器,冷空氣的冷量得不到回收利用,蒸發器熱負荷會增加很多。在這種情況下,不僅需要加大制冷壓縮機的功率來進行能量補償,而且整個制冷系統的其它部件(蒸發器、冷凝器及節流元器件)都需要相應增大。從能量回收角度講,我們總希望冷干機排氣溫度越高越好(排氣溫度高,說明能量回收多),最好進出口沒有溫差。但實際上是達不到這一點的,在空氣進口溫度為45℃以下時,冷干機進、出氣溫相差15℃以上的情況并不鮮見。
2、蒸發器:
蒸發器是冷干機主要的換熱部件。結構與換熱器不同,一般冷干機的蒸發器是由殼體和內膽組成,內膽由一簇紫銅管組成。在蒸發器中,從換熱器流出的經過預冷卻的壓縮空氣在殼層沿折流板上下流動,制冷劑在管內流動,壓縮空氣被強制冷卻,其中大部分水蒸氣凝結成液態水排出機外,從而使壓縮空氣得到干燥。蒸發器內膽管內液體制冷劑吸取壓縮空氣的熱量后蒸發成蒸汽,這一過程是相變過程,在制冷劑液體相變成氣體時,蒸發壓力保持不變,蒸發溫度在大部分時間里也保持不變(在制冷劑完全蒸發成氣體后,在蒸發器末端會過熱,膨脹閥就是根據過熱度調節供液量的,具體可參閱有關制冷書籍),壓縮空氣在熱交換過程中溫度會越來越接近制冷劑的蒸發溫度。但由于受到冷干機結構和成本的限制,蒸發器換熱面積不可能無限增大,壓縮空氣與制冷劑之間的傳熱溫差總是存在的。因此壓縮空氣所能達到的溫度(表觀露點溫度),在任何時候也不可能等于或低于蒸發溫度,壓縮空氣最終被冷卻到的溫度值取決于多種因素,例如:制冷量、制冷劑的蒸發溫度(蒸發壓力)、蒸發器的換熱面積、壓縮空氣的流速、熱負荷等。在冷干機實際運行中壓縮空氣的最終冷卻溫度值蒸發溫度高3-5℃是正常的。由于蒸發器的換熱介質是熱力學性質截然不同的壓縮空氣與制冷劑,制冷劑的導熱系數不空氣的導熱系數高得多,因此,蒸發器換熱效率的高低決定在壓縮空氣側。為了盡可能獲得較高的傳熱效率,應加大壓縮空氣側的換熱面積以抵消其熱阻。制冷系統的臥式蒸發器可分“干式蒸發器”和“滿液式蒸發器”兩種。前者制冷劑在管內蒸發,空氣在管外流動。滿液式蒸發器中,液體制冷劑在管外蒸發,被冷卻的壓縮空氣在管內流動,制冷劑將換熱銅管全部浸沒。滿液式蒸發器在冷干機中用得較少,原因是:
1)在水蒸氣冷凝成水滴的過程中,首先會在蒸發器內膽鋁翅片表面形成一層水膜,臥式安裝蒸發器可使水膜成珠狀下滴迅速更新換熱表面。如果立式安裝水滴就會沿換熱管表面成簾狀流動,簾狀流動使水膜變厚影響傳熱;
2)冷凍機油易溶于制冷劑,且不易排除,在滿液式蒸發器中既影響傳熱效果又影響回油,嚴重時導致壓縮機缺油運行;
3)制冷劑充注量大。
3、冷凝器
在冷干機中冷凝器的作用是將制冷壓縮機排出的高壓、過熱制冷劑蒸汽冷卻成為液態制冷劑。 通常冷凝器分為風冷式和水冷式兩種。因此冷干機也分為風冷式冷干機和水冷式冷干機兩種。 風冷凝器為翅片式結構,與家用空調的室外機類似;水冷凝器為列管式(管殼式)結構。風冷凝器不需要冷卻水,適合于供水困難地區或移動性場合應用。但風(空氣)冷卻效果比水差得多,其體積比同規格的水冷凝器大,所以一般只適用于中、小型冷干機。風冷凝器不適于在氣溫高或通風不良、多粉塵的環境下使用。
在冷凝器中,高溫、高壓的制冷劑蒸汽從冷凝器上部進入冷凝器(風冷凝器走管內,水冷凝器走殼體),與冷卻介質進行對流熱交換,冷煤氣體放出熱量后凝結成液體從冷凝器下部流出。
4、制冷壓縮機
制冷壓縮機的制冷量與其工況(即蒸發溫度、冷凝溫度)密切相關。蒸發溫度低,壓縮機單位制冷量就少;冷凝溫度高,壓縮機單位制冷量就少。所以試圖通過降低冷干機的蒸發溫度來降低壓縮空氣的“壓力露點”并不經濟的。我們知道氣體可以被壓縮而液體很難被一般的設備壓縮,反而會損壞氣體壓縮設備。在制冷設備中就有稱為“液擊”的故障:在冷干機運行時,如果進入蒸發器時的制冷劑液體過多或蒸發壓力太低(此時,負荷較低或制冷量過大)而無法完全被壓縮空氣蒸發,那么未蒸發的制冷劑液體會被吸入壓縮機內部。由于制冷劑液體是不可壓縮的,在壓縮機運轉中極易造成閥片被擊碎的現象,這就是“液擊”。
為了防止壓縮機產生“液擊”,在冷干機中一般采取了下列措施:
a)選用防液擊的制冷壓縮機;
b)設置低壓儲液器,保證只允許氣態制冷劑進入壓縮機;
c)設置熱氣旁路閥。因為制冷壓縮機的吸氣溫度常低于環境溫度,所以制冷壓縮機上部表面有時會“結露”,這是正?,F象;但是如果吸氣溫度低于0℃時,就會“結霜”,這說明制冷量可能過大,需要對冷干機進行工作點調整。
5、氣水分離器和自動排水器
1) 氣水分離器 :
氣水分離器是冷干機的關鍵部件之一。濕熱壓縮空氣被換熱器和蒸發器冷卻后,會有大量的凝結水析出,這就需要用高效的手段把壓縮空氣和凝結液分離,實現真正干燥壓縮空氣的目的,因此經過氣水分離器處理后的壓縮空氣才具有真正的露點溫度。
壓縮空氣中采用的氣水分離器類型有:
a)擋板式分離器
擋板分離器是慣性分離器的一種。這種分離器由多塊擋板組成“百葉窗”式結構。檔板材料對液態水滴應有良好的浸潤作用,液滴在與擋板碰撞后,大部分會附著在在擋板上,并在其表面生成很薄的一層液體后順著擋板流下來,在擋板邊緣集聚成更大顆粒的液滴,液滴在本身重力作用下與空氣分離。我公司冷干機的蒸發器就具有擋板分離器的功能(折流板)。
b)過濾式分離器
如用過濾器作冷干機的氣水分離器,的確可以達到很好的分離效果,因為過濾器對一定粒徑水滴的過濾效率可達100%。但實際上卻很少有冷干機用過濾器來作氣水分離用。這是因為過濾造成的壓力損失、維護更換濾芯的成本都比較大,不經濟。
c)旋風分離器
旋風分離器也是一種慣性分離器,較多地用于氣固分離,如大氣除塵時作為預處理去除空氣中的較大顆粒。其原理是壓縮空氣沿筒壁切線方向進入分離器后,在里面產生旋轉,混在氣體中的液滴也跟著一起旋轉并產生離心力,質量大的液滴所產生的離心力大,在離心力作用下大液滴向外壁移動,碰到外壁(也是擋板)后再集聚長大并與氣體分離;而粒徑較小的液滴卻在氣體壓力作用下向呈負壓狀態的中心軸線遷移。這種分離器的缺點是其分離效率在其額定處理量時較高,一但偏離其分離效率就比較差,導致露點上升。
2)自動排水器
冷干機工作時會在換熱器及蒸發器容器里積聚大量凝結水,如果不及時、徹底排出這些凝結液,冷于機就成了一只貯水器。這會導致:
①冷干機的排氣中大量夾帶液態水,使冷干機的工作失去意義; ②使壓縮空氣流通面積變小,空氣壓力降提高.
內凝結液要吸收部分冷量,使冷干機負荷增加,對節能不利;
因此,徹底、及時排除冷干機中的凝結水,是冷干機正常運行的重要保證。冷干機常用的自動排水器有四種:
①浮球式自動排水器:以日本SMC公司的產品最為著名,常用的有AD402型。
②倒桶式自動排水器
③電磁時間控制排水器:以時間控制電磁閥的開啟周期和開啟時間,這一類在近幾年應用較多。該類排水器排水時有大量的壓縮空氣排出,而且根據壓縮空氣中含水多少需要調節排水周期和排水時間。
④液位控制自動排水器。這一類排水器是最節能的,排水時幾乎沒有壓縮空氣排出,但價格較高。
這里著重介紹浮球式自動排水器的工作原理(其他自動排水器工作原理參見制造商的說明書)當排水器貯水杯內的水位未達到一定高度時,壓縮空氣的壓力將浮球壓下關閉排水孔,就不會造成氣流泄漏;隨著貯水杯內水位升高(此時冷干機內并不積水),在浮力的作用下浮球上升,升到一定高度便打開排水孔,杯內凝結水在氣壓作用下很快排出機外。凝結水排盡后浮球失去浮力,在其重力和氣壓作用下關閉排水孔。浮球式自動排水器不僅在冷干機中得到應用,而且可在貯氣罐、后冷卻器及過濾器等多種氣源處理設備上等處廣泛應用。在冷干機中自動排水器可以說是最易出故障的一個部件。這是因為冷于機所排出的凝結水井不是清潔水,而是混有固態雜質(灰塵、銹泥等)、油污的稠狀液體(自動排水器又叫“自動排污閥”),而幾乎所有的自動排水器的排水孔直徑都很小,容易被堵塞,因此自動排水器(除電磁式自排水器)進口處裝有一只濾網。但使用時間長了,濾網也會被油污雜質堵塞,如果不及時清洗,將使自動排水器失去作用。所以,每隔一定時間清洗排水器里的濾網是很重要的,也是冷干機的日常維護工作的內容之一。因為自動排水器是靠內外壓差進行排水的,因此在實際使用時要求有一定壓力才能工作,例如常用的AD-402型自動排水器最低工作氣壓是0.15MPa,壓力太低因無法建立密封而出現漏氣現象。當然壓力不能超過其額定工作壓力。在環境溫度低于零度時要放盡貯水杯內的凝結水,以防結冰、凍裂。
(四) 為什么冷干機的合理壓縮空氣露點溫度為0℃以上?
要降低壓縮空氣溫度,勢必制冷劑的蒸發溫度也降得很低。冷干機在冷卻壓縮空氣時,蒸發器內膽的翅片表面有一層膜狀冷凝水存在,如果由于蒸發溫度的降低使翅片表面溫度在零度以下,其表面冷凝水就可能結冰,這時:
1)由于蒸發器內膽翅片表面附著一層導熱系數小得多的冰,大大降低了換熱效率,壓縮空氣不能充分冷卻,同時由于吸收不到足夠的熱量,制冷劑蒸發溫度有進一步降低的可能,如此循環的結果,必將給制冷系統帶來許多不良后果(譬如產生“液壓縮”);
2)由于蒸發器內膽翅片的間距不大,一旦翅片上結冰后會減少壓縮空氣的流通面積,嚴重時甚至會使氣路堵塞,即“冰堵”; 總上所述,冷干機的壓縮露點溫度應在0℃以上,為了防止露點溫度過低,冷干機里設置了能量旁路保護(由旁通閥或氟路電磁閥來實現)。當露點溫度低于0℃時,旁路閥(或氟路電磁閥)自動打開(開度增大),將未經冷凝高溫高壓制冷劑蒸汽直接注人蒸發器的入口(或壓縮機入口的氣液分離罐),使露點溫度提升到0℃以上。從系統能耗來講,蒸發溫度過低導致壓縮機制冷系數大幅下降,能耗增加。
(五) 冷凍式干燥器是如何控制露點溫度?
任何用戶的壓縮空氣負荷總是變化的,因此要求冷干機的制冷量也相應變化以適應壓縮空氣的負荷變化,從而實現穩定的壓力露點。在冷干機中,膨脹閥(或毛細管)、旁通閥(氟路電磁閥)、水量調節閥/壓力開關等部件參與了冷干機制冷量的調節。
1、膨脹閥的節流作用把經過冷凝的制冷劑從常溫高壓變成低溫低壓并供給蒸發器,同時通過檢測制冷壓縮機的吸氣過熱度控制制冷劑供液量,以達到調節蒸發器的制冷量與壓縮空氣負荷相適應的目的。
2、在膨脹閥減少蒸發器供液量以適應壓縮空氣負荷變化同時,旁通閥也動作——把未經冷凝的制冷劑直接旁通至膨脹閥后或壓縮機吸氣側,其作用是:
1)制冷壓縮機在工作時,排氣量是不變的,當膨脹閥減少供給蒸發器的制冷劑后有一部分制冷劑停留在制冷系統的高壓側,采取旁通可以使制冷循環的正常進行;
2)防止壓縮空氣負荷減少時,蒸發器內結冰(即“冰堵”)現象的產生(由于負荷減少時,蒸發器銅管表面溫度可能低于水的冰點,凝結水就會在蒸發器里結冰而阻塞氣流通道);
(六) 冷干機故障的原因及排除:
冷干機本身及外部原因所造成的故障情況主要有以下幾個方面:
1、全部不能運轉:
狀 態 | 原 因 | 故 障 排 除 |
電源是否 正常供電 | 保險絲熔斷或無熔絲跳脫 | 確認電源是否有接地現象,并檢查熔絲開關是否損壞 |
斷線或虛接 | 找出斷線或虛接處處,加以檢修 | |
有 不 電 能 源 起 但 動 | 電源開關不良 | 換新 |
電壓異常 | 請對照銘牌上額定電壓指示,允許范圍:額定電壓±10% | |
熱保護器故障 | 調整設定值或換新 | |
啟動按鈕故障 | 換新 | |
電源相序不對 | 調整電源相序 | |
接觸器故障 | 檢修或換新 | |
壓縮機不良 | 換新 | |
開關全部正常 但不能啟動 | 壓縮機不良 | 換新 |
電線松動 | 找出電線未鎖緊處,上緊 |
2、啟動后不良:
狀 態 | 原 因 | 故 障 排 除 |
電壓異常 | 起動后不久,電線短路,產生燒焦味 | 線路及開關重新配置,找出電壓異常原因 |
過
載
跳
脫 | 連續起動 | 每次起動須隔3min以上 |
壓縮機過負荷 | 干燥機過負荷,減少空氣處理量 | |
干燥機入口溫度過高 | 增設冷卻器或加大馬力改善通風 | |
熱保護器設定值太低 | 調整設定值 | |
電源接觸不良 | 清理或換新 | |
接點不良 | 清理或換新 | |
壓縮機抱軸 | 更換 | |
冷媒高壓報警 | 進氣溫度過度高 | 降低進氣溫度 |
冷卻水溫過高(>32℃) | 降低水溫 | |
冷卻水進出水閥門開啟太小 | 開大閥門 | |
無冷卻水或流量過小 | 通水或加大水流量 | |
進水水質過濾器堵塞 | 清洗水質過濾器芯 | |
冷媒高壓報警 | 冷凝器水側結垢 | 清洗或更換 |
環境溫度過高(風冷型) | 加強室內通風 | |
冷凝散熱片結灰太多(風冷型) | 清理散熱片 | |
冷媒低壓報警 | 負荷過小 | 調節補償 |
冷卻水流量過大 | 關小冷卻水出口閥門 | |
水溫過低 | 關小冷卻水出口閥門 | |
制冷劑泄漏 | 聯系廠家 | |
環境溫度過低(風冷型) | 提高環境溫度 |
3、自動排水系統不良:
狀 態 | 原 因 | 故 障 排 除 |
排水不良 | 使用壓力在0.15MPa以下 | 自動排水器最低使用壓力0.15Mpa |
空氣過濾器內置自動排水器阻塞 | 清洗或換新 | |
制冷效果不佳 | 檢修制冷系統 | |
空氣過濾器傾斜或濾芯阻塞 | 校正固定、清洗或換新 |
4、運轉正常,但效果不佳:
狀 態 | 原 因 | 故 障 排 除 |
蒸發器出口溫度過低 |
| |






